|
|
Practice Exam #2 |
1.

After being on side 1 for a long time, the switch moves from side 1 to side 2 at t = 0.
a) Find the value of vC(t = 0).
b) Find an expression for vC(t > 0).
c) Find the value of the energy stored by the capacitor at time t = 3τ where τ = time constant for circuit after t = 0.
2.
A function generator outputs the following signal, vi(t).
![]()
Design op-amp circuits to output each of the following waveforms when vi(t) is the input. You may use either one or two op-amps in each case.
a) 
b) 
c) 
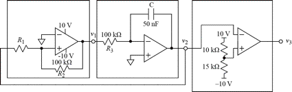
3.

The above circuit is from Lab 4, but some of the component values have been changed.
a) Find the minimum and maximum values allowed for R1 in order to achieve proper operation: 1) successfully generating a triangle wave (which requires that v1 switches from high to low and back), and 2) avoiding clipping that would occur if v2 exceeded the rail voltage for the op-amp.
b) Choose an allowed value for R1 and calculate the period of v2(t).
c) Draw a graph of v2(t) and v3(t) for at least one period of v2(t). Label all important times and voltages on the graph.