|
|
Practice Exam #2 Solution |
1.

After being on side 1 for a long time, the switch moves from side 1 to side 2 at t = 0.
a) Find the value of vC(t = 0).
b) Find an expression for vC(t > 0).
c) Find the value of the energy stored by the capacitor at time t = 3t where t = time constant for circuit after t = 0.
Sol'n: a) vC(t = 0) = 36 V. C charges to voltage of power supply.
b)
, RThev = 200 kΩ for t
> 0. t = RThevC = 2 ms.
![]()
c)
, ![]()
2.
A function generator outputs the following signal, vi(t).
![]()
Design op-amp circuits to output each of the following waveforms when vi(t) is the input. You may use either one or two op-amps in each case.
a)
sol'n: Non-inverting amp, Rf = Rs > 1 kΩ
b)
sol'n: Non-inverting amp, Rf = 4Rs > 1 kΩ
clipped, so use pwr supply ±5 V.
c)
sol'n: Use comparator vi vs 0V,
pwr supply ±5 V, then summing
amp to add 1V.
3.

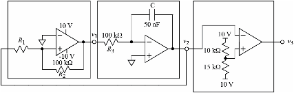
The above circuit is from Lab 4, but some of the component values have been changed.
a) Find the minimum and maximum values allowed for R1 in order to achieve proper operation: 1) successfully generating a triangle wave (which requires that v1 switches from high to low and back), and 2) avoiding clipping that would occur if v2 exceeded the rail voltage for the op-amp.
Sol'n: a) R1 and R2 form V-divider between v1 and v2. v2 must pull v+ of 1st op-amp below 0 V in order to switch v1 when v1 is -vrail and v2 is +vrail. Need R1 < R2 for that to happen. So R1 = 100 kΩ is the maximum. The other condition cannot occur, since if v2 hits the rail voltage, it will just stay there. v1 and v2 will then stay the same and switching will never occur.
b) Choose an allowed value for R1 and calculate the period of v2(t).
Sol'n: b) Many solutions. Key equations are:
solve for peak v2.
![]()
![]()
Half of period = time for v2 to go from -pk to +pk = 2v2 pk
or half period = 2v2 pk/slope of v2.
c) Draw a graph of v2(t) and v3(t) for at least one period of v2(t). Label all important times and voltages on the graph.
Sol'n: b) v2(t) = triangle wave with slope and max v2 and period from (b).
solve for peak v2.
v3(t) is rectangular waveform. High voltage = +vrail = 9V, low V = -9 V.
v3(t) is high when v2 > +2 V = v+ of third op-amp.